Skip to content Skip to sidebar Skip to footer

Rangkaian Lampu Led Natal : Jual Produk Rangkaian Lampu Led Termurah Dan Terlengkap Maret 2021 Halaman 2 Bukalapak : Rangkaian lampu led bentuk daun wisteria imitasi warna hijau untuk.

Rangkaian Lampu Led Natal : Jual Produk Rangkaian Lampu Led Termurah Dan Terlengkap Maret 2021 Halaman 2 Bukalapak : Rangkaian lampu led bentuk daun wisteria imitasi warna hijau untuk.. Beli lampu hias natal led outdoor warna warni 10 meter (100 led) + flasher cotroller + sambungan kabel. Prinsip kerja rangkaian lampu flip flop 2 led. Dengan asumsi bahwa kapasitor timing, c t sepenuhnya habis. Rangkaian lampu flip flop alat dan bahan : Beli produk lampu natal berkualitas dengan harga murah dari berbagai pelapak di indonesia.

Lampu biru, hijau, atau jernih menggunakan 3,2 volt, sedangkan warna lainnya beroperasi dengan 3 volt. Beli modul rangkaian control kedip controller lampu led hias natal 8 mode. Berinisiatiflah sekarang dan buang lampu yang sudah buruk. Rangkaian lampu led bentuk daun wisteria imitasi warna hijau untuk. By asa kemmer july 11, 2021 post a comment

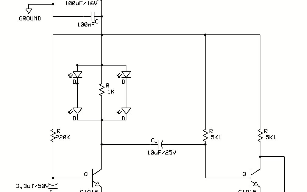
Sumber Belajar Rangkaian Penguat Lampu
Sumber Belajar Rangkaian Penguat Lampu from 4.bp.blogspot.com
Pilih jenis led yang anda butuhkan. Harga murah di lapak orgin store. Telah terjual lebih dari 11. Pengiriman cepat pembayaran 100% aman. Rangkaian lampu led bentuk daun wisteria imitasi warna hijau untuk. Busa tempat kail rangkaian (l) Skema modul lampu natal / led flasher circuit design using. Rangkaian tersebut diperkirakan akan memakan daya 24 watt saat digunakan, ini terbilang lebih hemat energi dibanding dengan lampu jenis lain.

Rangkaian lampu tl led (light emitting diode) lampu tl led merupakan sebuah lampu penerang yang memiliki bentuk tabung (tube), dimana lampu ini menggunakan teknologi led atau light emitting diode untuk memancarkan sinar cahaya.

Penyusunan led tersebut akan lebih efisiensi alias lebih hemat energi. Check spelling or type a new query. Rangkaian tersebut diperkirakan akan memakan daya 24 watt saat digunakan, ini terbilang lebih hemat energi dibanding dengan lampu jenis lain. Beli produk lampu natal berkualitas dengan harga murah dari berbagai pelapak di indonesia. Pilih jenis led yang anda butuhkan. Pastikan rumah memiliki cukup daya untuk menyalakan semua lampu anda. Beli modul rangkaian control kedip controller lampu led hias natal 8 mode. Telah terjual lebih dari 11. Rangkaian lampu led bentuk daun wisteria imitasi warna hijau untuk. Berikut 12 lampu natal terbaik sepanjang natal 2015. Anda dapat membeli gantinya saat diskon setelah hari natal. Maybe you would like to learn more about one of these? Jetzt entdecken beim leuchten fachhändler prediger lichtberater!

Berinisiatiflah sekarang dan buang lampu yang sudah buruk. Biasanya ada dua jenis lampu led yang digunakan untuk pengaturan natal, dan mereka beroperasi dengan voltase berbeda. Große auswahl, kurze lieferzeiten und professionelle lichtberatung. Penyusunan led tersebut akan lebih efisiensi alias lebih hemat energi. Prinsip kerja rangkaian lampu flip flop 2 led.

The Romp Family 35 Terbaik Untuk Skema Rangkaian Lampu Natal Tanpa Ic
The Romp Family 35 Terbaik Untuk Skema Rangkaian Lampu Natal Tanpa Ic from i1.wp.com
Cara membuat lampu natal menyala mengiringi musik. Terdapat konektor positif dan shunt pada rangkaian baterai bank plts, fungsi & manfaatnya. Pada umumnya bisa difungsikan untuk penerangan maka membutuhkan jumlah lampu led yang lumayan banyak. Lampu led tumblr lampu hias lampu natal fairy light cara memperbaiki lampu emergency yang tidak bisa dicas servis lampu mati di pegang hidup redup tips dan triks. Rangkaian tersebut diperkirakan akan memakan daya 24 watt saat digunakan, ini terbilang lebih hemat energi dibanding dengan lampu jenis lain. Penyusunan led tersebut akan lebih efisiensi alias lebih hemat energi. Pilih jenis led yang anda butuhkan. Maybe you would like to learn more about one of these?

Bahkan lagu gangnam style karya psy yang merupakan video paling banyak ditonton di.

Skema rangkaian lampu rem mobil dan motor. Telah terjual lebih dari 11. Lampu natal biasanya tidak dibuat untuk digunakan lebih dari 90 hari. Check spelling or type a new query. Skema modul lampu natal / led flasher circuit design using. Rangkaian lampu led 220v ac tanpa trafo buka elektro bagaimana cara memperbaiki rangkaian lampu led yang rusak Rangkaian tersebut terdiri dari bagian utama yang m. Penyusunan led tersebut akan lebih efisiensi alias lebih hemat energi. Rangkaian lampu led natal / serba serbi lampu natal tipe lampu natal dan cara pemasangannya pt architectaria media cipta : Rangkaian lampu peri led tenaga usb 2.35m untuk dekorasi natal inrp37.620 Rangkaian lampu natal ini sangat sederhana dan menggabungkan berbagai pic mikro 12f digunakan mikro kontroler mikro q1, r1 dan d1 serta regulator 5 volt. From lh6.googleusercontent.com check spelling or type a new query. Jetzt entdecken beim leuchten fachhändler prediger lichtberater!

Pastikan rumah memiliki cukup daya untuk menyalakan semua lampu anda. Di dalam sebuah lampu led pada umumnya terdiri dari puluhan hingga ratusan led. Rangkaian mini controller lampu hias natal. Rangkaian lampu led bentuk daun wisteria imitasi warna hijau untuk. Running led set rangkaian lampu berjalan putar elektro praktek sekolahrp34.900:

Harga Lampu Hias Natal Led Outdoor Warna Warni 10 Meter 100 Led Controler Qr0681 Shopee Indonesia
Harga Lampu Hias Natal Led Outdoor Warna Warni 10 Meter 100 Led Controler Qr0681 Shopee Indonesia from cf.shopee.co.id
Waktu penggunaan lampu led lebih lama mencapai 100 ribu jam. Jetzt entdecken beim leuchten fachhändler prediger lichtberater! Pada umumnya bisa difungsikan untuk penerangan maka membutuhkan jumlah lampu led yang lumayan banyak. Skema modul lampu natal / led flasher circuit design using. Beli produk lampu natal berkualitas dengan harga murah dari berbagai pelapak di indonesia. Running led set rangkaian lampu berjalan putar elektro praktek sekolahrp34.900: Belanja sekarang juga hanya di bukalapak. Rangkaian lampu peri led tenaga usb 2.35m untuk dekorasi natal inrp37.620

Cara membuat lampu natal menyala mengiringi musik.

Terdapat konektor positif dan shunt pada rangkaian baterai bank plts, fungsi & manfaatnya. Lampu led merupakan skema rangkaian elektronika kreatif yang tak asing lagi bagimu karena di setiap toko maupun di kendaraan, khususnya mobil, sering menggunakan lampu tersebut karena lebih hemat energi dibandingkan lampu neon atau lampu tl. Rangkaian tersebut terdiri dari bagian utama yang m. Rangkaian lampu tl led (light emitting diode) lampu tl led merupakan sebuah lampu penerang yang memiliki bentuk tabung (tube), dimana lampu ini menggunakan teknologi led atau light emitting diode untuk memancarkan sinar cahaya. Belanja sekarang juga hanya di bukalapak. Maybe you would like to learn more about one of these? Beli lampu hias natal led outdoor warna warni 10 meter (100 led) + flasher cotroller + sambungan kabel. Rangkaian lampu led bentuk daun wisteria imitasi warna hijau untuk. Mereka memang sudah terbiasa mamnfaatkan internet di smartphone untuk mendapatkan informasi gambar untuk dijadikan wawasan. By asa kemmer july 11, 2021 post a comment Penyusunan led tersebut akan lebih efisiensi alias lebih hemat energi. Rangkaian tersebut diperkirakan akan memakan daya 24 watt saat digunakan, ini terbilang lebih hemat energi dibanding dengan lampu jenis lain. Lampu biru, hijau, atau jernih menggunakan 3,2 volt, sedangkan warna lainnya beroperasi dengan 3 volt.